Итак представляю вашему вниманию очередной пост о модификации топливной системы мотоцикла Yamaha WR250R/X под наши суровые российские реалии. Пост является продолжением этого поста, а также исправлением ошибок, сделанных ранее.
ВАЖНО! Я не являюсь специалистом в этой области! Всё, что тут описано, это плоды экспериментов и гугления в интернете. Поэтому делая любые модификации по этой статье, вы берёте все риски на себя.
Для тех, кому лень читать много букв по ссылкам, вкратце опишу причину, почему я вообще стал этим заниматься. Бензонасос Yamaha WR250R/X так устроен, что у него топливный фильтр является 2в1 и установлен перед насосом. При этом сам фильтр отдельно не продаётся, а насос в сборе на данный момент стоит от 18 000 рублей без учёта доставки. Учитывая то, что я мотоцикл эксплуатирую как туристический, а значит качество топлива может попадаться очень и очень разное, фильтр вышел из строя достаточно быстро, и я стал искать пути решения проблемы. Первым этапом я попробовал заказать копию фильтра с Aliexpress. Однако успехом это мероприятие не увенчалось, насос не смог его прокачать. Видимо китайцы напортачили с наполнителем. Кстати, обратите внимание, на фото оригинальный фильтр на насосе чёрный. Это его нормальный цвет, когда он влажный! Если дать ему полностью высохнуть, он побелеет. Как же определить, что его пора менять? У WR250R/X в приборке есть диагностический режим. Пункт 09 в режиме диагностики позволяет включить насос в постоянном режиме, не заводя мотор. Если насос работает неровно, значит что-то не так, это будет слышно.
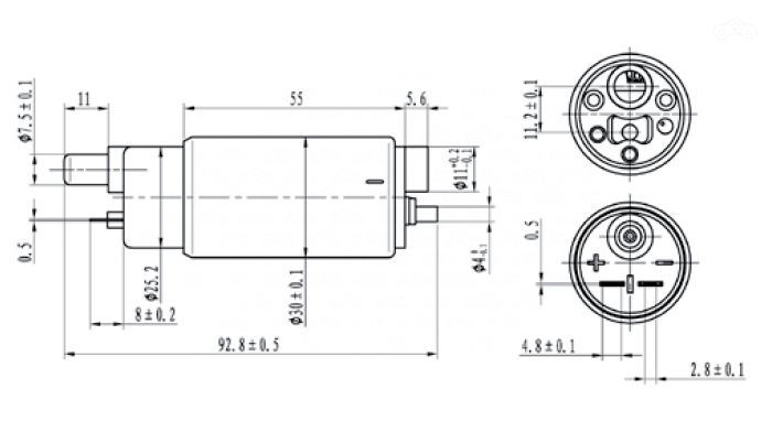
Раз уж я туда полез, я решил заодно и сам насос заменить, оставив старый в качестве запасного, т.к. стоковый насос произведён в Китае. Как известно, на инжекторных мотоциклах при определённых условиях насос может сгореть. Как правило это происходит от перегрева при длительной езде на резерве, т.к. насос охлаждается бензином в баке. Артикул оригинального насоса 1100-01090, в принципе это стандартный 30 мм мотоциклетный насос.
Его технические характеристики (по некоторым данным, я их не проверял) такие:
- диаметр 30 мм
- питание 12в
- потребление до 3А
- выходное давление 3 Bar
- расход до 60 л/ч
Варианты замены:
HighFlow HFP-389
Kemso 13001
CNT CNT-313
Caltric MP1508PP108HU (Китай)
California Cycleworks FP-WR
RMS-ALTRO 121660040
Я выбрал вариант Kemso 13001, купив его на eBay. Некоторые из этих вариантов поставляются вместе с фильтром. Однако фильтр там в комплекте только грубой очистки. Если же такового в комплекте нет, то можно поставить фильтр от Ford Focus 1. Я поставил Krauf KR1002F, чуть подрезав снизу пластик фильтра, и по моим наблюдениям с ним фильтр тонкой очистки живёт заметно дольше, чем с фильтром от Kemso. Сам насос при этом способен создать давление до 7.5 кг/см². А возможно и больше, я не проверял, т.к. на 7.5 кг/см² уже начинает сочиться бензин через соединения шлангов.
А вот дальше возникла проблема. Дело в том, что сборка насоса от фирмы Aisan Industries, Japan, так спроектирована, что нет возможности установить фильтр тонкой очистки между самим насосом и регулятором давления топлива. Изначально я установил фильтр снаружи бака. Это имело преимущество - можно было менять фильтр всего лишь скинув седушку. Однако это решение было в корне неправильным, т.к. фильтр оказывался после РДТ, соответственно когда он забивался, падало давление в рейке, что приводило к обеднению смеси. А чем грозит мотору слишком бедная смесь, мы все знаем. Спасибо Саше из MonsterLab, что обратил моё внимание на эту недоработку.
Довольно приличное время я проездил так с фильтром Mann WK55/1, однако когда он забился, начались проблемы со смесью. Как назло такого фильтра не оказалось в наличии в магазинах, и я стал экспериментировать, заодно подбирая более компактный фильтр. В процессе подтвердилась неправильность такого решения, и я стал думать, как можно вынести регулятор давления (РДТ) за пределы сборки насоса. Вариант с РДТ вне бака к сожалению пришлось отбросить, т.к. у сборки насоса есть всего один выход наружу, а сделать второй не позволяет тонкий слой пластика. Бак же сверлить совсем не хочется. Наверное это можно сделать, но я не рискнул. Также я попробовал поставить фильтр тонкой очистки перед насосом, но это тоже завершилось неудачей. У насоса всасывающая сила значительно ниже, чем выталкивающая.
Я стал экспериментировать с установкой РДТ внутри бака. Заглянув в сервис-мануал, я увидел там цифру 2.50 кг/см² и стал искать варианты среди автомобильных. Однако для авто это очень низкое давление и встречается крайне редко. Удалось найти лишь вариант Bosch 0280160221 (и его заменители), который я купил в сервис-центре Opel "Дармина" по очень "вкусной" цене. Впрочем этот вариант пришлось отбросить, т.к. 2.50 кг/см² это давление при заведённом двигателе на холостых оборотах, а бошевский РДТ давит 2.50 Bar "в стенку" (при заглушенном движке), в то время как стоковый "в стенку" выдаёт 2.70-2.80 кг/см². К тому же он при работе странно скрипел, что вызывало сомнения в его исправности. Ведь автомобиль, для которого этот РДТ, уже 25 лет не выпускается.
В процессе экспериментов мне в руки попала китайская копия регулируемого РДТ Tomei TypeS. Он достаточно лёгкий, без манометра и вакуумного штуцера весит всего 120 г. К сожалению китайцы скопировали оригинал только внешне, так что его тоже пришлось отвергнуть. Во-первых народ жалуется, что у них рвутся мембраны. А во-вторых запорный клапан в этой копии сконструирован так, что при выключении насоса, он тут же сливает всё давление в обратку, буквально за 3-4 секунды. В то время как оригинал даже через сутки всё ещё держит 1 кг/см². Это нужно для нормального старта, если заглохнешь на ходу. В ином случае мотор будет заводиться не с первого раза. Я его разобрал и слегка доработал, но ставить в итоге не стал. Кстати, манометр у него оказался вполне точный, и даже с глицерином внутри (чтоб не дёргалась стрелка от вибраций).
Также нагуглились варианты врезных регулируемых РДТ - Nismo 22670-RR580US, Bosch 0280160001, Bosch 0280160007. Однако во-первых цена вопроса прямо скажем не маленькая - от 5 до 14 тысяч рублей. А во-вторых они стальные и довольно тяжелые, что может привести к нежелательным последствиям при езде по неровной дороге, ведь врезной РДТ сложно жестко закрепить внутри бака.
В итоге я пришёл к выводу, что самым простым вариантом будет использовать стоковый регулятор. Но для этого придётся резать корпус сборки насоса. Я долго не хотел этого делать, но вариантов было не много, а те что были, создавали проблемы с установкой насоса в бак - отверстие для насоса не такое уж и большое. Так что я взял канцелярский нож, нагрел его и аккуратно отрезал верхнюю часть.
Затем я взял штуцер на 1/4" под 8 мм шланг (один из вариантов стандартных штуцеров для компрессоров) и метчик 1/4"-18NPT, нарезал резьбу в верхней части и закрутил туда штуцер, обмотав резьбу фумлентой и добавив в резьбу чуть-чуть герметика Elring Curil T. Резьбовые фиксаторы использовать смысла нет, они не работают в пластике. При нарезании резьбы и закручивании штуцера следует быть осторожным, т.к. стенки пластика (полиацеталь в данном случае) не очень толстые, он может треснуть. Немного повозившись, у меня получилась такая конструкция. Сначала штуцер был прямой, потом я заменил на Г-образный, купленный на Aliexpress.
С фильтрами ситуация тоже оказалась непростой. У многих производителей в каталогах указано минимум характеристик, у большинства вообще указаны только размеры. В лучшем случае в каталоге может быть указан микронный рейтинг фильтра. Но и эта цифра на самом деле коммерческий ход, т.к. есть куча стандартов этих самых микронных рейтингов и ни один не является общепринятым. К примеру MANN в спецификациях указывает Filtration efficiency согласно стандарту ISO/TR 13353, то есть какой процент частиц размером 3-5 микрон будет задержано данным фильтром. Некоторые производители указывают размер частиц в микронах, задерживаемых на 50%, некоторые указывают размер частиц, задерживаемых на 96% или больше. Большинство же производителей микронный рейтинг не указывают вообще. Поэтому данные цифры можно считать очень условными, как например маркировка вязкости на канистрах у вилочных масел. Важно понимать одно – чем лучше фильтрует фильтр, тем большее нужно давление, чтобы его нормально прокачать, и тем быстрее он забьётся. К примеру на КТМ 690 Enduro R с завода одно время ставили фильтр с рейтингом 10 микрон, но позднее вернулись к фильтру с рейтингом 20 микрон. Кстати, считается, что человеческий глаз не способен увидеть частицы меньше 40 микрон. При этом отверстия в форсунке (в которой, кстати, тоже есть ещё один фильтр) вполне себе видны невооружённым глазом. Так что стоит ли гнаться за минимальным рейтингом – большой вопрос.
В результате перекапывания кучи каталогов, вот что удалось найти из более-менее подходящих по размеру фильтров среди того, что реально купить в РФ. Обращаю внимание, что я смотрел фильтры под 8 мм топливный шланг с хомутом, а не под быстросъёмные штуцеры.
Fram G3606 (10 микрон, маленький размер)
Sakura FS-1004 (предположительно 20 микрон, средний размер)
Donaldson P550012 (40 микрон, маленький размер)
Wix 33032 & Napa 3032 (20 микрон, средний размер)
Wix 33033 & Napa 3033 (20 микрон, средний размер)
Wix 33482 & Napa 3482 (13 микрон, большой размер)
Wix 33095 & Napa 3095 (11 микрон, маленький размер)
MANN MWK44 (средний размер, подходит на Ducati, BMW, Triumph, MotoGuzzi)
Mahle KL145 (10 микрон, большой размер, подходит на Ducati, BMW, Triumph, MotoGuzzi)
MANN WK55/1 (большой размер)
Fleetguard FF149 (11 микрон, средний размер)
Fleetguard FF5672 (маленький размер)
Purolator F20011 (средний размер)
Baldwin BF840 (средний размер)
Mahle KL97 (20 микрон, маленький размер)
Отдельно стоит сказать про фильтр MANN MWK44, т.к. он позиционируется именно как мотоциклетный. Согласно спецификациям фильтр имеет пропускную способность 120 литров в час и Filtration efficiency 30%>, однако рабочее давление указано 400 kPa (4 Bar). В реале на мотоцикле BMW R1150RT, куда ставится этот фильтр, давление топлива по мануалу всего 3 Bar. Мне кажется, что можно попробовать его на нашей Ямахе. Правда цена такого «попробовать» в районе 850 рублей, поэтому я пока что экспериментирую с более бюджетными вариантами. ))) Тем более, что MWK44 по диаметру тоже не самый маленький (около 50 мм). А его аналог Mahle KL145 и того больше.
На данный момент я езжу с фильтром Fram G3606. Отзывы от владельцев KTM690/Husqvarna710 на буржуйских форумах на него неплохие. Говорят, что если лить нормальный бензин, то он отхаживает 6000 миль (около 10000 км). Добавление различных присадок в топливо в разы сокращает ресурс фильтра. В частности на КТМ 690 Enduro R, где такой же фильтр у человека прошёл 6000 миль, при применении присадок октан-корректоров фильтр «сдох» уже через 2500 миль. С учётом того, что у нас практически весь бензин на присадках, я считаю оптимальным менять его через каждые 5000 км, вместе с маслом. Лить же всякие G-Drive, V-Power и прочие супер-топлива я бы вообще не рекомендовал. С учётом ценника в 350 рублей по-моему вполне приемлемо.
Из вариантов чуть подороже можно поставить например Mahle KL97. Он максимально лёгок, компактен и корпус у него полупрозрачный - через него видно степень загрязнения фильтра.
Наиболее дешевый и ресурсный вариант, но побольше размером (в заливную горловину моего бака IMS уже не пролазит) - Sakura FS-1004. Это псевдо-японский бренд, на самом деле производство Индонезия, а бренд похоже вообще отечественный. На ютубе есть видео, где ставят такой фильтр на Honda VFR. Автор уверяет что уже год откатал с ним, правда не говорит сколько это в километрах. А на сайте Motorradhof такой фильтр предлагается в качестве замены для CBR1100XX 1997-2005. По факту на фильтре написано 20 LMS. Предположительно так обозначили микронный рейтинг. Правда такое обозначение скорее математическое, расшифровывается как Least Mean-Squares. В процессе поисков я ни разу не встречал такого обозначения ни в одном каталоге, поэтому это только догадки. Я запросил у производителя полные спецификации фильтра, но прислали только это. Судя по всему, фильтр на микронный рейтинг не тестировался.

Спецификации фильтра Sakura FS-1004
Далее мне предстояло решить, как я буду менять топливный фильтр. Поскольку мне хотелось делать это, не снимая бак, я решил использовать фильтры маленького размера, которые пройдут через заливную горловину. Для себя я остановился на вариантах FRAM G3606 (фильтр от американских авто 1980-х годов) и Mahle KL97 (такой фильтр ставится с завода в KTM690 Enduro R). Преимущество первого в железном корпусе и ценнике в 350 рублей, а второго - в полупрозрачности пластикового корпуса. Если у вас нет задачи вынимать фильтр через заливную горловину, то можете использовать например MANN MWK44 или даже WK55/1. Это увеличит ресурс фильтра, но увеличит также и его вес, особенно когда он будет наполнен бензином. В этом случае встанет вопрос, как закрепить это всё, чтобы оно при езде по неровностям не мотылялось по баку. Также учтите, что фильтр будет плавать в бензине, а это значит, что все наклейки на корпусе следует снять с него заранее, а краску или надписи на корпусе может смыть со временем.
У меня конструкция получилась довольно некомпактная, но зато можно быстро и легко менять фильтры. Я использовал винтовые хомуты ABA на 13 мм и 8 мм топливные шланги Gates. Они имеют некоторую упругость, вставая враспор внутри бака, при этом их можно сложить пополам при вытаскивании фильтра. Однако в будущем я возможно их заменю на что-то другое. В частности мне не нравятся острые углы у хомутов, они могут царапать бак изнутри.
Есть также ещё один важный момент. Поскольку я обрезал верхнюю часть сборки, шланг пришлось надевать напрямую на штуцер самого насоса. А поскольку штуцер этот не имеет никаких выпуклостей, то при определённых обстоятельствах (например заклине РДТ или пережатии шлангов) его может сорвать давлением. Проточить его не получится, там очень тонкие стенки пластика. Поэтому я на всякий случай привязал винтовой хомут нейлоновой стяжкой к корпусу сборки. Хотя возможно это уже перестраховка, т.к. гейтсовские шланги при экплуатации так прилипают к штуцерам, что их порой бывает невозможно снять, приходится срезать. Также при укладке фильтра в бак надо смотреть, чтоб шланг не заламывался.
У меня получилось, что обратка хлещет без какой-либо направленности. Я закрепил так, чтоб лило на насос, но есть идея сделать вот такой переходник. Это позволит в частности вывести обратку шлангом прямо на насос, расположив РДТ в любом удобном месте. Пока не придумал, как его сделать. Возможно напечатаем на 3D-принтере из ABS-пластика с пост-обработкой. Или выточим из алюминия. Надо поэкспериментировать.
В процессе экспериментов я умудрился повредить стоковый РДТ так, что он перестал держать давление после выключения насоса. Снова встал вопрос замены РДТ. Из аналогов по размерам мне удалось найти только Kia/Hyunday 35301-2P00, однако он выдаёт давление 3.5 кг/см², в то время как нам нужно 2.7-2.8 кг/см² ("в стенку"). Форсунка имеет номинальную пропускную способность и максимальную. Номинальная – это сколько топлива форсунка может пропустить при определённом вполне конкретном давлении, а максимальное – сколько максимум вообще через неё можно протолкнуть. При увеличении давления, первая цифра увеличивается, пока не достигнет второй. Есть специальные калькуляторы для расчёта форсунок, но если вкратце - увеличение давления в 2 раза увеличивает номинальную статическую пропускную способность форсунки примерно в 1.4 раза. Увеличение давления улучшает распыление бензина, но при увеличении давления также нелинейно обогащается смесь, потому что топливная карта регулирует не ширину отверстия в форсунке, а скважность (время) и частоту её открытия. В результате с увеличенным давлением нормально настроить смесь без полноценного редактирования топливной карты не получится. В случае наличия лямбда-зонда на мотоцикле ситуация осложнится, потому что лямбда на этом мотоцикле узкополосная, влияет только на низы и средние обороты (так же как и регулировка CO в приборке). Мозги на основании показаний датчика изменят топливную смесь на низах, но не затронут на верхах. А на верхах будет неистово лить, что приведёт к непредсказуемому переобогащению смеси, и как результат - падению мощности, засору катализатора, сажному нагару в камере сгорания и даже возможно стеканию несгоревшего бензина в картер, а значит быстрой деградации масла.
Решение оказалось простым и гениальным. У этого РДТ сверху есть отверстие. Я взял болтик с резьбой М6, поставил РДТ так, как на картинке и стал аккуратно вкручивать болтик в отверстие. Это привело к тому, что крышка стала деформироваться. А поскольку крышка является опорой для пружины, это уменьшило преднатяг пружины. Раза с третьего мне удалось добиться нужного давления. Главное не торопиться - повредить РДТ не сложно, у него довольно тонкие стенки. Также болтик нельзя вкручивать глубоко, иначе повредится запорный клапан. И не забыть убрать металлическую стружку, которая может образоваться на краях отверстия. Кстати, на буржуйских форумах тоже есть сообщения о выходе из строя стокового РДТ. И они пока тоже не нашли другой альтернативы.
p.s. Безусловно на эксперименты было потрачено столько денег и времени, что вероятно проще и дешевле было купить оригинальный насос в сборе. Однако это был полезный и интересный опыт. Очень хотелось найти универсальное и доступное решение, которое позволит вообще забыть о проблеме фильтрации топлива для этой модели. Текущее решение вероятно будет подвергаться мелким доработкам, но в целом, надеюсь, станет финальной версией.


















